中文
  • 中文
  • English
图片展示
图片展示

高位高高位报警系统、污水井报警测量系统

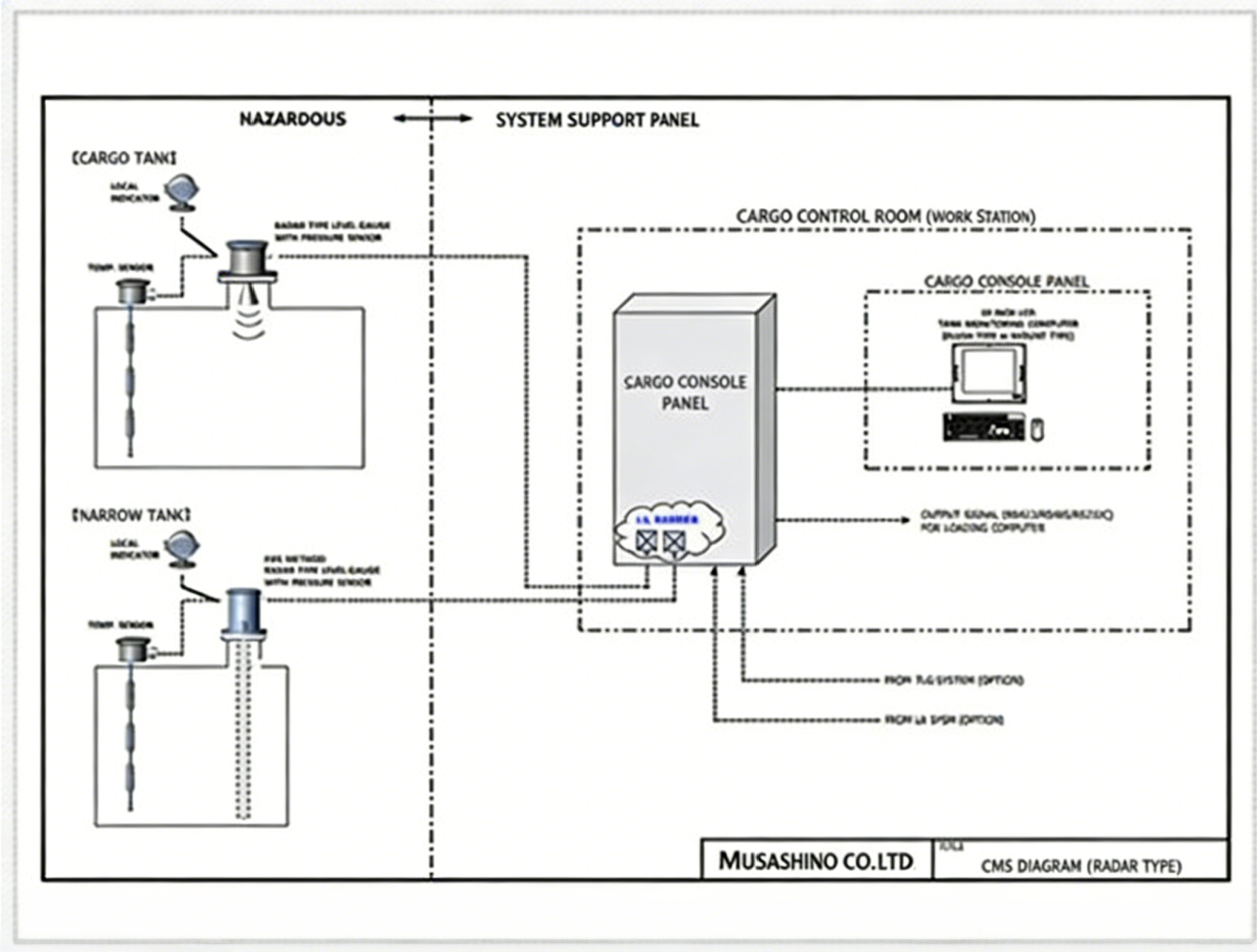
高位高高位报警系统、污水井报警系统适用于油轮、化学品船的液货舱以及海工特种船的压载水舱和污水井,能集中监测舱内液位,当达到预设的高位/高高位报警液位时,发出相应的报警与监测指示。能延伸报或多路远距离报警复视器,有自动检测电源故障、传感器故障,并发出声光报警功能。符合SOLAS公约及IMO的相关要求,采用双路供电,具有自动不间断切换功能,系统操作简单、可靠,运行稳定。    

image.png

 

服务热线:19941707122

地址: 江苏省苏州市昆山市陆家镇金阳东路1068号

邮箱:sales@suzhou-marine.com

网址:https://www.suzhou-marine.com/

关注我们

Copyright©苏州安客思海洋装备有限公司 版权所有

添加微信好友,详细了解产品
使用企业微信
“扫一扫”加入群聊
复制成功
添加微信好友,详细了解产品
我知道了